
- หัวปิด: เซอร์โวมอเตอร์ขับเคลื่อน 2 ชิ้น
- แรงดันไฟฟ้า: 220V, 50/60HZ
- กำลังไฟฟ้า: 3.0 กิโลวัตต์
- แรงดันอากาศ: 0.5–0.7Mpa
- แอมแปร์: 8.5A
- ความเร็ว: 40-45/นาที (ปรับแต่งตามรูปร่างและขนาดของขวด)
- เส้นผ่านศูนย์กลางผลิตภัณฑ์ที่เหมาะสม: ฝาปิด φ28-φ125 มม. (ปรับแต่งแบบไม่เป็นมาตรฐาน)
- อัตราการผ่านของต่อม: ≥99.5% (ขึ้นอยู่กับข้อผิดพลาดของฝาและขวด)
- ขนาดเครื่อง: 3300*1150มม.*1908มม.
- น้ำหนัก : 450กก.
ก่อนเปิดเครื่อง โปรดอ่านคู่มือนี้ให้ละเอียดถี่ถ้วนเพื่อความปลอดภัยและการใช้งานเครื่องอย่างถูกต้อง เพื่อหลีกเลี่ยงอุบัติเหตุต่อบุคลากรและลดความถี่ของความเสียหายของเครื่องจักร
ในกรณีของผลิตภัณฑ์ที่มีฤทธิ์กัดกร่อน ควรระมัดระวังไม่ให้วัตถุที่มีฤทธิ์กัดกร่อนสัมผัสหรือกระเซ็นไปที่เครื่องจักรและพนักงาน
- หลีกเลี่ยงการใช้งานเครื่องในสถานที่ที่มีแรงสั่นสะเทือนหรือการชน
- ขณะที่เครื่องจักรกำลังทำงาน ร่างกายของพนักงานไม่สามารถสัมผัสชิ้นส่วนที่เคลื่อนไหวได้
- ควรหลีกเลี่ยงการใช้งานเครื่องในบริเวณที่มีความชื้นมากเกินไป และเสียบสายดินเข้ากับแหล่งจ่ายไฟให้ถูกต้อง เพื่อหลีกเลี่ยงอุบัติเหตุด้านความปลอดภัย
- ผู้ปฏิบัติงานควรมีสภาพร่างกายและจิตใจปกติ หากคุณดื่มแอลกอฮอล์ ยานอนหลับ หรือยาอื่นๆ ที่ส่งผลเสียต่อสภาพจิตใจ ให้หยุดการใช้งานเครื่องจักร
- ผู้ปฏิบัติงานจะต้องสวมเสื้อผ้าที่เหมาะสมเพื่อหลีกเลี่ยงการบาดเจ็บที่เกิดจากการที่เสื้อผ้าเข้าไปเกี่ยวข้องกับส่วนที่ม้วน และจะต้องไม่วางสิ่งของแปลกปลอมใดๆ ไว้บนเครื่องจักร
- หากเกิดเสียงดังหรือสิ่งผิดปกติอื่นๆ ระหว่างการใช้งาน ให้หยุดทันทีและตรวจสอบ ช่างเทคนิคที่ไม่ใช่วิศวกร โปรดอย่าโอนชิ้นส่วนเครื่องจักรโดยพลการ
- การบำรุงรักษาและการดูแลตามปกติ (ครั้ง/สัปดาห์) หลีกเลี่ยงน้ำหรือของเหลวที่กระเซ็น และกล่องควบคุมอิเล็กทรอนิกส์หรือส่วนประกอบไฟฟ้าอื่นๆ เมื่อทำความสะอาดเครื่อง
- โปรดดำเนินการตามขั้นตอนการทำงานปกติและรักษาพื้นผิวของเครื่องให้สะอาดและเป็นระเบียบเรียบร้อย
เครื่องปิดฝาใช้ในกระบวนการบรรจุภัณฑ์กับผลิตภัณฑ์ด้านเครื่องสำอาง ยา สัตวแพทย์ ยาฆ่าแมลง น้ำมันหล่อลื่น และอุตสาหกรรมอื่นๆ





หลักการและคุณสมบัติของเครื่องปิดฝาขวด:
- การควบคุมไฟฟ้าอัตโนมัติมีเสถียรภาพ
- พร้อมอุปกรณ์กำหนดตำแหน่งฝาปิด ฝาล็อคมาตรฐาน การทำงานสะดวก
- ล็อคฝาปิดได้หลากหลาย สามารถหมุนฝาครอบได้หลายรูปทรงตามความต้องการ
- ความเร็วในการปิดฝา เรือนจำของการหมุน พร้อมกันนี้ยังสามารถปรับความแน่นของการกรอกลับได้ตามความต้องการ


พารามิเตอร์พื้นฐานของเครื่องปิดฝาขวดเครื่องสำอาง:

1. หัวปิด: เซอร์โวมอเตอร์ขับเคลื่อน 2 ชิ้น
2. แรงดันไฟฟ้า: 220V, 50/60HZ
3. กำลังไฟฟ้า: 3.0 กิโลวัตต์
4. แรงดันอากาศ: 0.5--0.7Mpa
5. แอมแปร์: 8.5A
6. ความเร็ว: 40-45/นาที (ปรับแต่งตามรูปร่างและขนาดของขวด)
7. เส้นผ่านศูนย์กลางผลิตภัณฑ์ที่เหมาะสม: ฝาปิด φ28-φ125 มม. (ไม่ได้ปรับแต่งมาตรฐาน)
8. อัตราการผ่านของต่อม: ≥99.5% (ขึ้นอยู่กับข้อผิดพลาดของฝาและขวด)
9. ขนาดเครื่อง: 3300*1150มม.*1908มม.
10. น้ำหนัก:450กก.
คำอธิบายส่วนโฮสต์


สวิตช์ไฟ: ควบคุมแหล่งจ่ายไฟเปิด---ปิด
ไฟแสดงสถานะพลังงาน: เปิดเครื่อง—ไฟสีเขียวติด ปิดเครื่อง—ไฟสีเขียวดับ
หยุดฉุกเฉิน: ใช้เพื่อหยุดเครื่องจักรทันทีหรือรีเซ็ตฟังก์ชั่นในระหว่างเหตุฉุกเฉินหรือเกิดความผิดพลาด
1. เริ่มต้นการทำงานด้วยไฟฟ้า: เครื่องกำลังทำงาน เมื่อการตรวจจับด้วยแสงตรวจพบว่ามีขวดและมีฝาปิด จานหมุนสามารถเริ่มทำงานได้ หากไม่ตรวจพบแสงใดแสงหนึ่ง จานหมุนจะไม่หมุน
2.แหล่งกำเนิดไฟฟ้า: ใช้เพื่อควบคุมมอเตอร์สเต็ปปิ้งเพื่อขับเคลื่อนตำแหน่งจานหมุน เพื่อให้ใส่ขวดเข้าไปในฝาได้อย่างราบรื่น
3. แคปโฟโตอิเล็กทริก: ตรวจสอบว่าฝาครอบอยู่บนสถานที่หรือไม่ และตรวจจับด้วยแสงว่ามีแท่นหมุนฝาครอบให้หมุน
4. ครอบคลุมไฟฟ้าภาพ: การควบคุมการเริ่มต้นและหยุดของเครื่องฝาบน เมื่อฝาครอบที่เครื่องฝาบนจัดเตรียมไว้ถูกจัดเรียงไปยังตำแหน่งที่ตรวจจับได้โดยโฟโตอิเล็กทริก โฟโตอิเล็กทริกจะสว่างเสมอ เครื่องฝาจะหยุดทำงานที่ฝาครอบ และฝาครอบอัจฉริยะจะถูกนำมาใช้
5. ฝาปิดล็อคไฟฟ้า: เมื่อขวดที่มีฝาปิดผ่าน ระบบจะตรวจจับแสงและฝาปิดล็อกจะทำงานตามเวลาหน่วงที่ตั้งไว้ (พารามิเตอร์เฉพาะจะปรับตามความเร็วของสายพานลำเลียงเมื่อปรับเครื่อง)
6. ระบบล็อคฝาปิด: ขวดที่มีฝาปิดเป็นแบบเดียวกัน การหน่วงเวลาการสตาร์ทด้วยแสง การหน่วงเวลาไปยังขวดที่ยึดกระบอกสูบ ฝาล็อคจะลดลง ฝาจับ - ฝาเกลียว - ตัวปลดที่จับ - ฝาล็อคจะยกขึ้น - ขวดคลิปจะคลายออก และกระบวนการล็อคฝาจะเสร็จสมบูรณ์ ในฝาล็อค เมื่อฝาล็อค 1# อยู่ในฝาล็อค ขวดอื่นจะเข้าไป ในเวลานี้ กระบอกสูบขวดหนีบ 2# จะเคลื่อนที่ และฝาล็อค 2# จะเปิดใช้งานเพื่อล็อคฝา (เมื่อฝาที่ถูกล็อคด้วยหัวล็อค 2# ผ่านขวดคลิป 1# อย่าทำซ้ำฝาล็อค

คำอธิบายอินเทอร์เฟซคน-เครื่องจักร

หน้าบูท
3.1 หน้าการบูตมีการเลือกการทำงานเป็นภาษาอังกฤษและภาษาจีน หากคุณเลือกปุ่มภาษาจีน ให้เข้าสู่อินเทอร์เฟซต่อไปนี้:

อินเทอร์เฟซที่สอง
หยุด: สวิตซ์สตาร์ทของเครื่องทั้งหมด แตะปุ่มนี้ เครื่องจะทำงานในโหมดอัตโนมัติ แตะปุ่มนี้อีกครั้ง เครื่องจะหยุดทำงาน
ประตูทดสอบ: ทดสอบการทำงานของเครื่องจักร
ความเร็วของจานหมุน: ยิ่งค่าพารามิเตอร์ความเร็วมากขึ้น ความเร็วก็จะยิ่งเร็วขึ้น และค่าพารามิเตอร์ความเร็วก็จะยิ่งช้าลง (แต่มีขีดจำกัดสูงสุด)
ดีเลย์ของเครื่องเล่นแผ่นเสียง: ตั้งค่าเวลาเริ่มต้นของเครื่องเล่นแผ่นเสียงให้สอดคล้องกับผลการทำงานราบรื่นของเครื่องเล่นแผ่นเสียงที่ตั้งไว้
ความล่าช้าในการปิดฝา: หลังจากจานหมุนถึงสถานีที่กำหนดแล้ว ให้หน่วงเวลาการรอ ฝาการทำงานของกระบอกสูบ
เวลาการปิดฝา: เวลาที่ใช้ในการปิดผนึกกระบอกสูบ
เอาท์พุต: บันทึกจำนวนฝาปิดล็อคให้สมบูรณ์ นับจำนวนการผลิตได้สะดวก กดปุ่มรีเซ็ตเพื่อล้างข้อมูล
X1. X3. X14: ตรวจสอบว่าโฟโตอิเล็กทริกอยู่ในสถานะการทำงานของการสะท้อนหรือไม่ เพื่อดูการทำงานของสถานะเครื่องได้อย่างง่ายดาย
พารามิเตอร์การกำหนดขีดจำกัด: กดปุ่มนี้และเข้าสู่อินเทอร์เฟซต่อไปนี้:

อินเทอร์เฟซเป็นหน้าพารามิเตอร์ที่จะตั้งค่าสำหรับการกระทำแต่ละอย่างของหัวล็อคหมายเลข 1 ในระบบฝาปิดล็อคเซอร์โว การตั้งค่าพารามิเตอร์ที่เหมาะสมนั้นเป็นประโยชน์ต่อความเสถียรของเครื่องจักรและการปรับปรุงประสิทธิภาพ
กลับ: กดปุ่มนี้เพื่อกลับไปยังอินเทอร์เฟซที่สอง
อินพุต/เอาต์พุต: กดปุ่มนี้เพื่อเข้าสู่อินเทอร์เฟซต่อไปนี้:

คะแนนซีรีย์ X: เป็นจุดอินพุตเพื่อตรวจจับว่าโฟโตอิเล็กทริกอยู่ในสถานะการทำงานหรือไม่ เพื่อดูการทำงานของเครื่องได้ง่าย และบำรุงรักษาง่าย
คะแนนซีรีย์ Y: คือจุดเอาต์พุตของส่วนประกอบการดำเนินการของสถานะปกติของการตอบรับ โดยสามารถกดปุ่มควบคุมด้วยตนเองเพื่อทดสอบว่าส่วนประกอบการดำเนินการเป็นปกติหรือไม่
ระบบป้อนฝา: สามารถมั่นคงและเป็นระเบียบตามทิศทางที่กำหนดให้ครอบคลุมได้
การปรับความเอียง: สามารถปรับมุมที่เหมาะสมได้ เพื่อควบคุมไม่ให้ฝาหลังพลิกเข้าไปในสไลด์
การควบคุมตัวแปลงความถี่: ควบคุมความเร็วของปก


การบำรุงรักษาอุปกรณ์ปิดฝาขวด:
1. บำรุงรักษาเครื่องจักรให้อยู่ในสภาพที่ปิดเครื่องและปิดแก๊สเพื่อความปลอดภัย รักษาเครื่องจักรให้สะอาดและเป็นระเบียบ ไม่ควรมีสิ่งของจิปาถะติดอยู่บนเครื่องจักร ห้ามมีสิ่งของชิ้นเล็ก ๆ อุปกรณ์เสริม สลักเกลียว ฯลฯ
2. และจะเติมน้ำมันหล่อลื่นเป็นประจำบนกลไกชิ้นส่วนเคลื่อนไหวเพื่อให้แน่ใจว่ากลไกทำงานได้ดี
3. ปล่อยน้ำออกจากชุดกรองอากาศเป็นประจำและเติมน้ำมันหล่อลื่นเพื่อให้มั่นใจว่ากระบอกสูบใช้งานได้อย่างถูกต้องและยืดอายุการใช้งาน
4. ตรวจสอบและซ่อมแซมเครื่องจักรเป็นประจำ พิจารณาสภาพการทำงานของเครื่องจักรด้วยสายตาและหูเพื่อให้แน่ใจว่าเครื่องจักรทำงานได้ดี
บันทึก: โปรดใช้และบำรุงรักษาตามคำแนะนำอย่างเคร่งครัด ห้ามเปิดและถอดประกอบในช่วงระยะเวลาการรับประกันโดยเด็ดขาด มิฉะนั้น ความเสียหายที่เกิดจากสิ่งนี้ถือเป็นความเสียหายของมนุษย์ ไม่สามารถซ่อมแซมได้ฟรี คำแนะนำนี้อาจเปลี่ยนแปลงได้โดยไม่ต้องแจ้งให้ทราบ หากยังมีความไม่แน่นอนเกี่ยวกับการทำงานของเครื่องนี้ โปรดติดต่อเราได้ตลอดเวลาเพื่อสอบถามข้อมูล
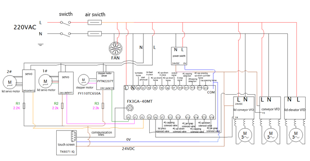
แนบแผนผังไฟฟ้ามาด้วย:

ตัวอย่างฝาขวดที่ปิดสนิทเสร็จแล้วของเครื่องปิดฝาขวด:





เครื่องหมาย: สำหรับขวดทรงสี่เหลี่ยมสีดำเนื่องจากฝาขวดอาจเกิดรอยขีดข่วนได้ จึงออกแบบให้มีระบบหยิบจับเพื่อดึงฝาขวดออกจากถาดและใส่ลงในสถานีที่พร้อมปิดฝาสำหรับขั้นตอนการปิดฝา หลักการทำงานโดยละเอียดแสดงไว้ดังต่อไปนี้: กระบวนการทำงาน:
1. การใส่ฝาลงในถาดด้วยมือ (15*15 หรือ 10*10)

2. การวางถาดเข้าที่จุดรับสินค้า
3.หุ่นยนต์หยิบขวดขึ้นมา

4. การวางตำแหน่งขวดและปิดฝาให้เรียบร้อย
5. การส่งออกขวดปิดฝา











