
- ความเร็วในการปิดฝา: 15-30 ชิ้น/นาที
- แรงดันไฟฟ้าที่กำหนด: 110V/60Hz (มาตรฐานสหรัฐอเมริกา)
- กำลังเครื่อง: 0.8KW
- แอมแปร์: 2.2A
- ขนาดภายนอก: 2230*1460*1600 มม. (กว้าง*ยาว*สูง)
- แรงดันอากาศ: 0.7 MPa
- น้ำหนัก: ประมาณ 300 กก.
การแจ้งเตือนก่อนเริ่มใช้งานเครื่องปิดฝาขวด
1: ก่อนที่จะเสียบปลั๊กเครื่อง ตรวจสอบให้แน่ใจว่าสวิตช์ไฟอยู่ในสถานะปิด จากนั้นทำตามคำแนะนำ
2: หากเครื่องไม่ได้ทำงานเป็นเวลานาน ควรเช็ดด้วยผ้าแห้ง และห้ามทำความสะอาดด้วยสารทำความสะอาดที่มีฤทธิ์กัดกร่อนใดๆ
3: ห้ามฉีดของเหลวใดๆ เข้าไปในกล่องไฟฟ้าของเครื่องโดยเด็ดขาด เพื่อหลีกเลี่ยงการกัดกร่อนของส่วนประกอบไฟฟ้าภายในและทำให้เกิดไฟฟ้าลัดวงจร
4: ตรวจสอบตามรายการบรรจุภัณฑ์อุปกรณ์ รุ่น ข้อกำหนด และปริมาณของอุปกรณ์และวัสดุเพื่อให้แน่ใจว่าเป็นไปตามข้อกำหนดของมาตรฐานการออกแบบและผลิตภัณฑ์ และมีใบรับรองความสอดคล้องมาด้วย
5: ตรวจสอบลักษณะภายนอกของอุปกรณ์เพื่อให้แน่ใจว่าปราศจากการเสียรูป ความเสียหาย และการกัดกร่อน และแกนหมุนทั้งหมดควรหมุนได้อย่างยืดหยุ่นโดยไม่มีการอุดตัน
6: เครื่องนี้ทำงานภายใต้ไฟฟ้ากระแสสลับเฟสเดียว 110V และปลั๊กไฟแบบ 3 ขาแบนควรเสียบเข้ากับเต้าเสียบไฟฟ้าโดยใช้สายดิน
พารามิเตอร์ทางเทคนิค

- ความเร็วในการปิดฝา: 15-30 ชิ้น/นาที
- แรงดันไฟฟ้าที่กำหนด: 110V/60Hz (มาตรฐานสหรัฐอเมริกา)
- กำลังเครื่อง: 0.8KW
- แอมแปร์: 2.2A
- ขนาดภายนอก: 2230*1460*1600 มม. (กว้าง*ยาว*สูง)
- แรงดันอากาศ: 0.7 MPa
- น้ำหนัก: ประมาณ 300 กก.
เครื่องปิดฝาแบบรายละเอียด:



โครงสร้างของเครื่องจักร

รายละเอียดตาไฟฟ้าใยแก้วนำแสง
ตาไฟฟ้าตรวจจับขวด:

เมื่อใช้งานในโหมดอัตโนมัติ วัตถุประสงค์ของดวงตาไฟฟ้าคือตรวจจับขวดที่เข้ามา
เมื่อตรวจพบขวดที่กำลังเข้ามา "โต๊ะหมุน" จะหมุน
เปลือกตาไฟฟ้าส่งไฟฟ้า

เมื่อใช้งานในโหมดอัตโนมัติ วัตถุประสงค์ของเครื่องตรวจจับไฟฟ้าชนิดนี้คือตรวจจับสิ่งปกคลุมที่เข้ามา
เมื่อตรวจพบฝาปิดที่กำลังเข้ามา "กลไกการนำออก" จะทำงานขึ้นเพื่อนำวัสดุออก
เปลือกตาไฟฟ้าส่งไฟฟ้า

เมื่อใช้งานในโหมดอัตโนมัติ: วัตถุประสงค์ของดวงตาไฟฟ้าคือตรวจจับขวดที่เข้ามา
เมื่อตรวจพบขวดที่กำลังเข้ามา "กลไกล็อคฝา" จะหมุนฝาล็อคลงด้านล่าง
ปุ่มสวิตช์และพอร์ตสายไฟ
หน้าจอสัมผัสและระบบหยุดฉุกเฉิน

ตัวควบคุมมอเตอร์ป้อนและแผ่นสั่นของฝาปิด

ตัวควบคุมแผ่นสั่นสะเทือน

ตัวควบคุมแผ่นสั่นสะเทือน: ปรับแรงดันไฟฟ้าและความเร็วในการปล่อยประจุ
สวิตซ์ไฟและปลั๊กไฟ

ตัวควบคุมมอเตอร์

หม้อแปลงความถี่: ปรับความเร็วของมอเตอร์ได้โดยการปรับปุ่มหม้อแปลงความถี่
วิธีการแจ้งเตือนและแก้ไขปัญหา:
1. กดปุ่มหยุดฉุกเฉิน กดปุ่มหยุดฉุกเฉินบนฝาครอบเครื่องและข้างหน้าจอสัมผัส
2. เมื่อเอาท์พุตถึงค่าที่ตั้งไว้ ให้ตั้งค่าเอาท์พุตแล้วกดปุ่มล้างเพื่อล้างเอาท์พุตปัจจุบัน
3. เมื่อไม่พบฝาปิดเป็นเวลานาน โปรดตรวจสอบ ตรวจสอบเส้นใยเหนี่ยวนำฝาขวดว่าติดตั้งไว้ดีหรือไม่ ตรวจสอบว่าฝาปิดอยู่ในตำแหน่งหรือไม่
4. หากไม่พบขวดเป็นเวลานาน โปรดตรวจสอบว่ามีขวดวางอยู่หรือไม่
การปรับตาไฟฟ้า:
โครงสร้างเครื่องขยายเสียง

ไดอะแกรมสำหรับเส้นใยแก้วนำแสง:

1.บาร์ล็อคใยแก้วนำแสง
2. ไฟแสดงสถานะการทำงาน
3. ตั้งค่า
4. ไฟแสดงสถานะ DSC
5. จอมอนิเตอร์แบบดิจิตอล
6. ปุ่มควบคุมด้วยมือ
7. ฝาปิดป้องกันแบบขยาย
8. ขั้วต่อขยาย
9. สวิตช์เลือกพลังงาน
10. ปุ่มโหมด
11. ตัวเลือกเอาต์พุต
12. สายเคเบิล
13. แผ่นป้องกันฝุ่น
14. ตั้งค่า (เป็นสีเขียว)
15. ค่าปัจจุบัน (สีแดง)
กระบวนการทำงานสำหรับการตั้งค่าไฟเบอร์ออฟติก
- เมื่อตาไฟฟ้าตกเข้าไปในช่องว่าง ค่ากระแสไฟสีแดงจะเป็น 144
- เมื่อตาไฟฟ้าตกบนฉลาก ค่ากระแสไฟฟ้าสีแดงคือ 4
- ปรับค่าที่ตั้งไว้" ประมาณ 1/2 ของค่าที่ตาไฟฟ้าอยู่บนกระดาษร่างกาย (ในช่องว่างระหว่างวัตถุที่ต้องการตรวจจับ) และค่าที่ตาไฟฟ้าอยู่บนกระดาษ ค่าที่ตั้งไว้คือ (144 4)/2=74 ให้ปรับปุ่มแมนนวลเพื่อปรับค่าที่ตั้งไว้เป็น 74
- เลื่อนช่องว่างฉลากไปข้างหน้าและข้างหลังในตำแหน่งตาไฟฟ้าและ “ไฟสัญญาณ/ไฟแสดงสถานะ” สีแดง
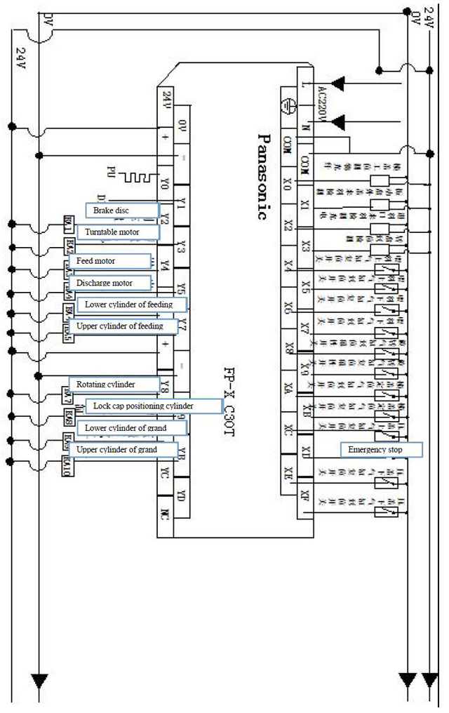
แผนผังวงจรไฟฟ้า



เครื่องปิดฝาขวดเพื่อการบำรุงรักษา

1. จำเป็นต้องตรวจสอบและบำรุงรักษาเครื่องจักรเพื่อยืดอายุการใช้งานเครื่องจักรและเพิ่มประสิทธิภาพการทำงานของเครื่องจักร
- เครื่องจักรทำงานควรได้รับการบำรุงรักษาทุก ๆ สามเดือน
- ชิ้นส่วนลูกปืนและเกียร์จะต้องได้รับการหล่อลื่นด้วยจารบี
- การหล่อลื่นจะต้องทำเป็นระยะๆ
- ควรเติมน้ำมันรางเลื่อน (N68) ลงในชิ้นส่วน เช่น การเคลื่อนที่แบบลูกสูบหรือการยกทุกวันวันละ 2 ครั้ง
- ควรเติมน้ำมันรถยนต์ (N68) ลงในชิ้นส่วนโรตารี่หรือแกว่ง
- ทุกๆ ครึ่งเดือน ให้เติมจารบีลงในช่องแคม
- ทุกเดือน หนึ่งครั้งสำหรับหัวฉีดน้ำมันโดยการเติมจาระบี
2. ห้ามใช้เครื่องมือโลหะกระแทกหรือขูดพื้นผิวที่มีการเชื่อมติดแน่นกับชิ้นส่วนต่างๆ เช่น ส่วนประกอบหรือแม่พิมพ์
3. หากเครื่องหยุดทำงานเป็นเวลานาน ให้เติมจารบีหล่อลื่นในชิ้นส่วนต่างๆ เช่น เกียร์หรือลูกปืน และเคลือบเครื่องจักรด้วยสารป้องกันน้ำด้วย
4. ห้ามวางสิ่งของใดๆ บนตัวเครื่อง เพราะอาจทำให้ตัวเครื่องเสียหายได้
5. ทำความสะอาดฝุ่นภายในส่วนประกอบเป็นระยะๆ และตรวจสอบสกรูทั้งหมดและซ่อมแซมสกรูที่คลายออก
6. ตรวจสอบสกรูในขั้วต่อสำหรับการเดินสายในเวลาที่กำหนดและตรวจสอบให้แน่ใจว่าสกรูได้รับการแก้ไข
7. ตรวจสอบว่ามีสถานีใดหลวมในเส้นทางสายไฟที่ยืดออกจากกล่องไฟฟ้าหรือไม่ หากชิ้นส่วนหลวมเกินไป ให้ขันสกรูกลับเข้าไปใหม่เพื่อหลีกเลี่ยงการสึกกร่อนหรือความเสียหายในชั้นฉนวนซึ่งอาจทำให้เกิดไฟฟ้ารั่วได้
8. ตรวจสอบชิ้นส่วนที่สึกหรอง่ายและเปลี่ยนชิ้นส่วนที่ชำรุดทันที









