
- เครื่องล้างขวดแก้ว VK-BR
- เครื่องบรรจุน้ำมัน VK-PF 4หัว
- เครื่องปิดฝาสูญญากาศ VK-VC
- เครื่องติดฉลากขวดกลม VK-RPL
สายการผลิตแบบอัตโนมัติเต็มรูปแบบสามารถปรับแต่งได้ตามความต้องการของลูกค้าและตัวอย่างที่ผู้ซื้อเสนอให้ ด้านล่างนี้เป็นข้อมูลพื้นฐานสำหรับสายการผลิตแบบอัตโนมัติเต็มรูปแบบสำหรับอุตสาหกรรมอาหาร:
เครื่องล้างขวดแก้ว เครื่องล้างด้วยลม เครื่องล้างด้วยเครื่องดูดฝุ่น
เป็นเครื่องล้างขวดแบบอัตโนมัติโดยใช้อากาศ ความจุขึ้นอยู่กับหัวฉีดล้างด้วยอากาศ
เครื่องอัดอากาศจะขนส่งอากาศภายในภาชนะสุญญากาศ แก๊สจะผ่านวาล์วโซลินอยด์และเครื่องกำเนิดไอออนที่ได้รับการฟอก แชมพูแก๊สหลอดลมจะพ่นแก๊สเข้าไปในขวดผ่านทางปากเครื่องล้างแก๊ส พ่นสิ่งแปลกปลอมออกจากปากเครื่องล้างแก๊สด้วยแรงดันของแก๊ส แล้วปล่อยก๊าซเสียที่หมดออกจากหลอดลมออกสู่ภายนอกผ่านการควบคุมการปล่อย

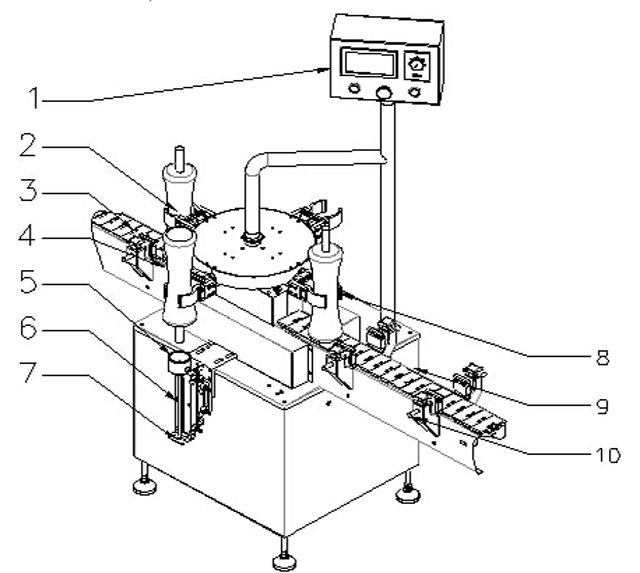
| 1 | แผงควบคุม | 2 | ขวด |
| 3 | เข็มขัดรัดขวดนม | 4 | เซ็นเซอร์สำหรับการป้อนขวด |
| 5 | โครงสร้างยึดขวด | 6 | การล้างหัวฉีด |
| 7 | ทูแยร์ไฟฟ้าสถิต | 8 | จุดยึดขวด |
| 9 | สายพานสำหรับการส่งออกขวด | 10 | แถบนำทาง |
พารามิเตอร์พื้นฐานของเครื่องล้างขวดแก้วแบบโรตารี่อัตโนมัติ:

รุ่น : VK-BR
เหมาะสำหรับบรรจุขวด: 20-1000มล.
กำลังการผลิต: หัวฉีดทำความสะอาด 8 หัว: 3600~4800bph
ช่วงความดันอากาศ: 6~8kg/cm2
อัตราการบริโภคอากาศ: 25m3/ชม.
แหล่งจ่ายไฟ: 220V 50/60Hz
การใช้พลังงาน: 0.75 กิโลวัตต์
เสียงรบกวนจากเครื่องจักรแต่ละเครื่อง: ≤70dB
อากาศบริสุทธิ์: 0.2μm
เวลาในการทำความสะอาด: 3~5 วินาที
น้ำหนักสุทธิ : 350กก.
ขนาดโดยรวม: 1200 x 800 x 1600มม.
เครื่องบรรจุน้ำมัน 4 หัว เครื่องบรรจุเชิงเส้น

เครื่องบรรจุมะกอก 4 หัว ควบคุมด้วยไมโครคอมพิวเตอร์ ผสมผสานการทำงานด้วยแสงเข้ากับการทำงานด้วยลม จึงใช้กันอย่างแพร่หลายในการบรรจุของเหลว เช่น สารเคมีทางการเกษตร สารละลาย ผงซักฟอก เครื่องสำอาง รวมถึงมะกอก
ปริมาณการบรรจุมีความแม่นยำ ไร้ฟอง และมีเสถียรภาพ เครื่องนี้สามารถบรรจุของเหลวได้ตั้งแต่ 25-1,000 มล. โดยไม่ต้องมีข้อกำหนดพิเศษเกี่ยวกับรูปร่างของขวด กล่าวคือ สามารถบรรจุของเหลวได้ทั้งในขวดธรรมดาและขวดทรงขวดรูปขวด

รุ่น : VK-PF
ช่วงการบรรจุ: 50~3000มล.
ความเร็วในการบรรจุ: <20-30b/m(สำหรับของเหลว 500-1000 มล.)
ความแม่นยำ: ±1%
กำลังไฟ/แหล่งจ่ายไฟ: 0.8kw、220v
แรงดันการทำงาน: 5~6กก./ซม.3
อัตราการบริโภคอากาศ: 0.5-0.7mpa
นน.: 500กก.
ขนาดภายนอก: 2000×800×1900มม.
เครื่องหมาย: หัวฉีดบรรจุสามารถออกแบบและผลิตได้ตามความต้องการของลูกค้าในด้านช่วงการบรรจุและความเร็วในการบรรจุ
เครื่องปิดฝาสูญญากาศเชิงเส้น Vk-Vc อุปกรณ์ปิดฝาขวด:
เครื่องปิดฝาแบบเส้นตรงนี้ได้รับการวิจัยและพัฒนาโดยบริษัทของเราซึ่งมีประสบการณ์หลายปี นับเป็นเอกลักษณ์เฉพาะในประเทศ โดยผสานการจัดเรียงฝาอัตโนมัติเข้ากับการปิดฝาด้วยสุญญากาศ
ใช้ปั๊มสุญญากาศแบบแมนนวลเพื่อให้ได้สุญญากาศสูง พร้อมฟังก์ชั่นไม่ต้องใช้ขวด ไม่ต้องปิดฝา ส่งสัญญาณเตือนเมื่อไม่มีฝา เพลิดเพลินกับการทำงานอัตโนมัติขั้นสูง ชิ้นส่วนหลักที่เป็นลมและไฟฟ้ามาจากแบรนด์ดังระดับโลก
ด้วยประสิทธิภาพที่มั่นคงและเชื่อถือได้ นิยมใช้กันอย่างแพร่หลายในการปิดฝาขวดแก้วด้วยฝาเหล็กสูญญากาศในอุตสาหกรรมอาหารกระป๋อง เครื่องดื่ม เครื่องปรุงรส ผลิตภัณฑ์ดูแลสุขภาพ เป็นต้น

กำลังไฟ: ≤2.3KW(รวมปั๊มสุญญากาศ)
กำลังการผลิต : 50-60BPM
เส้นผ่านศูนย์กลางฝา: ¢30-¢55mm ¢50-¢85mm
ความสูงขวด: 80-250มม.
เส้นผ่านศูนย์กลางขวด: ¢30-¢85มม.
แรงดูดสูงสุด: -0.08mpa
แรงบิดสูงสุด: 5-20N.M
อัตราการบริโภคอากาศ: 0.6M3/0.7Mpa
ขนาดเครื่อง : ประมาณ3000×1000×1900มม.
น้ำหนัก: ประมาณ 850กก.
เครื่องติดฉลากขวดทรงกลม Vk-Rpl

แอปพลิเคชัน: ต้องมีพื้นผิวรอบวงของเมมเบรนที่ติดฉลากหรือผลิตภัณฑ์
อุตสาหกรรม: ใช้กันอย่างแพร่หลายในอาหาร, ยา, เครื่องสำอาง, ผลิตภัณฑ์อิเล็กทรอนิกส์, โลหะ, พลาสติกและอุตสาหกรรมอื่นๆ
แอปพลิเคชัน: การติดฉลากขวด PET กลม, การติดฉลากขวดพลาสติก, อาหารกระป๋อง และอื่นๆ

ความยาวฉลากที่เหมาะสม (มม.): 20มม. ~ 314มม.
ความกว้างของฉลากที่ใช้ได้ (ความกว้างของกระดาษรองหลัง / มม.): 15 มม. ~ 150 มม.
ผลิตภัณฑ์ที่ใช้งานได้ เส้นผ่านศูนย์กลาง (สำหรับขวดกลม) และความสูง: เส้นผ่านศูนย์กลาง: φ25mm ~ φ100mm
ความสูง: 25มม. ~ 230มม.
เส้นผ่านศูนย์กลางม้วนมาตรฐานที่ใช้ได้ (มม.): φ280มม.
เส้นผ่านศูนย์กลางม้วนมาตรฐานที่ใช้ได้ (มม.): φ76มม.
ความแม่นยำในการติดฉลาก (มม.): ± 1 มม.
ความเร็วมาตรฐาน (ม. / นาที): เซอร์โว: 5 ~ 25ม. / นาที สเต็ปปิ้ง: 5 ~ 19ม. / นาที
ความเร็วในการติดฉลาก (ชิ้น/นาที): ก้าว: 30 ~ 80 ชิ้น/นาที (ตามขนาดขวดและฉลาก)
เซอร์โว: 40 ~ 120 ชิ้น/นาที
ความเร็วสายพาน (ม. / นาที): 5 ~ 25ม. / นาที
น้ำหนัก (กก.) : ประมาณ 185กก.
ความถี่ (HZ): 50HZ แรงดันไฟ (V): 220V
กำลังไฟ (W): 530W (สเต็ปเปอร์ขับเคลื่อน) 980W (เซอร์โวขับเคลื่อน)
ขนาดอุปกรณ์ (มม.) (ยาว × กว้าง × สูง): 1950มม. × 1100มม. × 1300มม.


บรรจุภัณฑ์กล่องไม้:

บริการหลังการขายสำหรับสายการบรรจุ

เรารับประกันคุณภาพของชิ้นส่วนหลักภายใน 12 เดือน หากชิ้นส่วนหลักเกิดข้อผิดพลาดโดยไม่มีปัจจัยเทียมภายในหนึ่งปี เราจะจัดหาหรือบำรุงรักษาให้คุณโดยไม่มีค่าใช้จ่าย หลังจากหนึ่งปี หากคุณต้องการเปลี่ยนชิ้นส่วน เราจะเสนอราคาที่ดีที่สุดให้คุณหรือบำรุงรักษาที่ไซต์ของคุณ เมื่อใดก็ตามที่คุณมีคำถามทางเทคนิคในการใช้งาน เราจะพยายามอย่างเต็มที่เพื่อช่วยเหลือคุณ
การรับประกันคุณภาพ :
ผู้ผลิตต้องรับประกันว่าสินค้าทำจากวัสดุที่ดีที่สุดของผู้ผลิต โดยมีฝีมือชั้นหนึ่ง เป็นของใหม่ ไม่เคยใช้งาน และสอดคล้องกับคุณภาพ คุณสมบัติ และประสิทธิภาพทุกประการตามที่กำหนดไว้ในสัญญานี้ ระยะเวลารับประกันคุณภาพคือภายใน 12 เดือนนับจากวันที่ออกใบตราส่ง
ผู้ผลิตจะซ่อมแซมเครื่องจักรที่ทำสัญญาโดยไม่คิดค่าใช้จ่ายในระหว่างช่วงระยะเวลารับประกันคุณภาพ
หากการเสียหายอาจเกิดจากการใช้งานไม่ถูกต้องหรือเหตุผลอื่น ๆ ของผู้ซื้อ ผู้ผลิตจะเรียกเก็บค่าชิ้นส่วนซ่อมแซม
การติดตั้งและการดีบัก:
ผู้ขายจะส่งวิศวกรไปสอนการติดตั้งและแก้ไขข้อบกพร่อง ค่าใช้จ่ายจะเป็นของผู้ซื้อ (ตั๋วเครื่องบินไปกลับ ค่าที่พักในประเทศของผู้ซื้อ) ผู้ซื้อควรให้ความช่วยเหลือด้านการติดตั้งและแก้ไขข้อบกพร่อง









